ISUZU 6.3 T ထရပ်ကား တပ်ဆင်ထားသော ကရိန်း၊ ဂျပန်နည်းပညာ ISUZU 4*2 ကိုယ်ထည်၊ 190HP စူပါအစွမ်းထက်၊ MLD 6-shift manual ဂီယာဘောက်စ်၊ XCMG 6.3T ဖြောင့် boom ကရိန်း၊ တင်ပို့သည့် မြန်မာ၊ ရန်ကုန်၊
ပေးဆောင်ခြင်း:
T/T, West Unionစြေး:
$45,000/59,000ထုတ်ကုန်မူလအစ:
China CEECသင်္ဘောဆိပ်ကမ်း:
Shanghai Seaportကြာမြင့်ချိန်:
15 DaysISUZU 6.3 T Boom Crane Mounted Cargo Truck ဒူဘိုင်းသို့ တင်ပို့ခြင်း။

ISUZU 6300kg ထရပ်ကား ကရိန်းတပ်ဆင်ထားသည်။များသောအားဖြင့် လေးလံသော ကုန်ပစ္စည်းများ သယ်ဆောင်ခြင်းနှင့် သယ်ယူပို့ဆောင်ရေး အတွက် အသုံးပြုကြသည်။ ကျွန်ုပ်တို့၏ 2016 အသစ်ထုတ်လုပ်ထားသော ISUZU 6 wheelers mounted crane cargo truck၊ ISUZU 10 wheeler boom crane mounted truck နှင့် Beiben 12 wheeler heavy duty truck ကရိန်းများ၊ အာရှ၊ မြန်မာနိုင်ငံ၊ Phillippine၊ Laos, Cambodia စသည်ဖြင့်၊ နှင့် အာဖရိကနိုင်ငံများ ကင်ညာ၊ အိုင်ဗရီကို့စ်၊ တန်ဇန်းနီးယား၊ ဇမ်ဘီယာ၊ အယ်လ်ဂျီးရီးယား၊ ကင်မရွန်း စသည်တို့

အကောင်းဆုံး ISUZU 6.3 T တယ်လီစကုပ်တပ်ဆင်ထားသော ထရပ်ကားကရိန်း၏ အားသာချက်များ-
1. CEEC TRUCKS သည် နာမည်ကောင်းဖြင့် နှစ်ပေါင်းများစွာ တပ်ဆင်ထားသော ISUZU 6.3 တန် ထရပ်ကားကို ထုတ်လုပ်သူဖြစ်သည်။ XCMG၊ UNIC၊ PALFINGER၊ SANY စသည်တို့ အပါအဝင် thecrane
2. အဆင့်မြင့်ဖွံ့ဖြိုးတိုးတက်မှုနှင့် ခွဲခြမ်းစိတ်ဖြာမှုဆိုသည်မှာ ဒီဇိုင်းသည် အလွန်ယုံကြည်စိတ်ချရကြောင်း သေချာပါစေ။
3. ချိတ်ဆက်ဘားယန္တရားလေးခုဖြင့် ပိုမိုမြင့်မားသော သယ်ဆောင်နိုင်စွမ်း။
4. Flange telescopic boom coupling နည်းပညာ။
5. ကိုယ်ပိုင်ဒီဇိုင်းနှင့် တီထွင်ထားသော လျှပ်ကူးစက်သည် လုပ်ငန်းခွင်အခြေအနေအမျိုးမျိုးအတွက် လိုအပ်ချက်များကို ဖြည့်ဆည်းပေးနိုင်သည်။
6. hexagonboom ၏ ပို၍ အချိုးကျသော အလယ်ဗဟို ဒီဇိုင်းသည် ၎င်း၏ ကွေးဆန့်နိုင်မှုအား ပိုကြီးစေသည်။
7. Float three-point bridge structure ဒီဇိုင်းသည် ခရီးသွားသည့်အခါ ကိုယ်ထည်ဘောင်ပေါ်ရှိ ဆက်စပ်မှုဆိုင်ရာ ဖိစီးမှုကို သက်သာစေသည်။

အလားတူသော့ချက်စကားလုံးများISUZU 6.3 T ထရပ်ကား တပ်ဆင်ထားသော ကရိန်း၊ ISUZU 6.3t တပ်ဆင်ထားသော ကရိန်း cargo ထရပ်ကား၊ ISUZU 6 wheeler ထရပ်ကားကရိန်း၊ အကောင်းဆုံး ISUZU6300 ကီလိုဂရမ်တပ်ဆင်ထားသည်။ထရပ်ကားကရိန်း၊ 6.3 T ထရပ်ကား တပ်ဆင်ထားသော ကရိန်းရောင်းရန်ရှိသည်။

|
ISUZU 6.3 T boom ကရိန်းထရပ်ကား တင်သွင်းသူ |
|||
|
ပစ္စည်းများ |
ကန့်သတ်ချက် |
||
|
ကရိန်း Parameter |
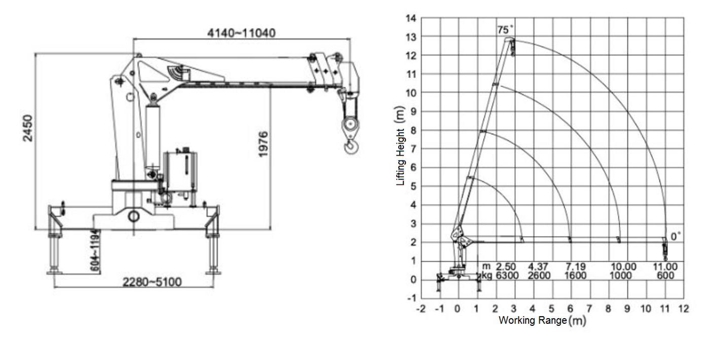
အမြင့်ဆုံး Lifting Capacity |
6300 ကီလိုဂရမ် |
|
|
Max Lifting Moment |
15.7 TM |
||
|
Power ကို အကြံပြုပါ။ |
20 kw |
||
|
ဟိုက်ဒရောလစ်စနစ်၏ Max Oil Flow |
40 လီတာ/မိနစ် |
||
|
ဟိုက်ဒရောလစ်စနစ်၏အမြင့်ဆုံးဖိအား |
20 Mpa |
||
|
ဆီတိုင်ကီအလေးချိန် |
90 L |
||
|
ကရိန်းအလေးချိန် |
၂၁၆၀ ကီလိုဂရမ် |
||
|
တပ်ဆင်မှုနေရာ |
900 မီလီမီတာ |
||
|
လှည့်ထောင့် |
360° လှည့်ပတ်မှုအားလုံး |
||
|
တင့်ကားကိုယ်ထည် |
ကုန်တင်အထူ |
ဖွတ် |
3mm |
|
ကြမ်းပြင် |
4mm |
||
|
ကိုယ်ထည် |
Chassis Brand ကို အကြံပြုပါ။ |
ISUZU ပါ။ |
|
|
Drive မုဒ် |
၄x၂ |
||
|
တာယာအမျိုးအစား |
8.25-16 တာယာ |
||
|
တာယာနံပါတ် |
6+1 ယူနစ် |
||
|
အမြင့်ဆုံးမြန်နှုန်း |
105 ကီလိုမီတာ |
||
|
အငှားကား |
1. Flat roof, All-steel-welded construction 2. ဟိုက်ဒရောလစ် ရှော့ခ်စုပ်ကိရိယာများဖြင့် စပရိန်ဆိုင်းများ 3. လေအေးပေးစက် 4. ထိုင်ခုံ ၂ လုံး 1-DIN AM/FM CD/MP3 ပလေယာ |
||
|
အင်ဂျင် |
ပါဝါ |
4HK1-TCG40 အင်ဂျင် 190hp |
|
|
လောင်စာအမျိုးအစား |
ဒီဇယ် |
||
|
ဓာတ်ငွေ့ထုတ်လွှတ်မှုစံနှုန်း |
ယူရို 3 နှင့် ယူရို 4 |
||
|
ဂီယာဘောက်စ် |
ထိန်းချုပ်မှုအမျိုးအစား |
လူကိုယ်တိုင် |
|
|
ဂီယာ |
MLD 6-shift manual ဂီယာအုံ |
||

ယခင် ဒူဘိုင်း Isuzu ထရပ်ကားများ တင်ပို့မှု အောင်မြင်ခဲ့သည့် ကိစ္စ၊
ကရိန်းတပ်ဆင်ထားသော ISUZU 6.3 T ထရပ်ကား ၄ စီး: 4HK1-TCG40 အင်ဂျင် 190HP၊ MLD 6-shift manual ဂီယာအုံ၊ XCMG 6.3 T တယ်လီစကုပ်ထရပ်ကား ကရိန်း။
ISUZU 18m Aerial Work Platform ထရပ်ကား ၁ ယူနစ်: 4HK1-TCG40 အင်ဂျင် 190HP၊ MLD 6-shift manual ဂီယာအုံ၊ 18 m ဝေဟင်ပလပ်ဖောင်း။
ISUZU 8CBM မီးသတ်ယာဉ် ၃ စီး: 6HK1-TCSG40 အင်ဂျင် 280HP၊ FAST 9-shift manual gearbox၊ Stainless steel tanker ပစ္စည်း။


ထုတ်လုပ်မှုအောက်တွင် ISUZU 6.3 T Truck Mounted Crane SQ6.3SK2Q / SQ6.3SK3Q

2016 မော်ဒယ်အသစ် ISUZU 6.3 T Boom ကရိန်းကုန်တင်ထရပ်ကား SQS157 XCMG ထရပ်ကား တပ်ဆင်ထားသော ကရိန်း-



CEEC သည် သဘာဝပတ်ဝန်းကျင် ကာကွယ်ရေး ထရပ်ကားစီးရီးများကို အကြံပြုသည်။
|
ISUZU ဒီဇယ်ဆီတိုင်ကီ ထရပ်ကား |
Beiben လောင်စာဆီတင်ကား |
ISUZU အမှိုက်ကြိတ်စက် |
Dongfeng 20 CBM ငြင်းဆန်ကြိတ်စက် |
|
|
|
|
|
| ISUZU 4 CBM လမ်းတံမြက်လှည်း |
ISUZU 8 CBM တံမြက်လှည်းထရပ်ကား |
ISUZU ထရပ်ကား ကရိန်း တပ်ဆင်ထားသည်။ |
ဖိအားမြင့် ဂျက်တင်ထရပ်ကား |
|
|
|
|
|
|
Dongfeng လေဟာနယ်စုပ်ထရပ်ကား |
Beiben Cesspit Emptier |
Dongfeng သည် Loader ထရပ်ကားကို ကျော်သွားသည်။ |
Beiben လွှဲလက်မောင်းထရပ်ကား |
|
|
|
|
|
|
Beiben 20 CBM ရေတင်ကား |
Dongfeng 20 CBM ရေတင်သင်္ဘော |
Beiben Roll on Roll off Truck |
ISUZU မီးသတ်ကား |
|
|
|
|
|
★ဂျပန်နည်းပညာ ISUZU ကိုယ်ထည်၊ မူလ ISUZU 4HK1-TCG40 အင်ဂျင်စူပါစွမ်းအား 190 ps တပ်ဆင်ထားသည်။
★ ISUZU 6300kg တပ်ဆင်ထားသော ကရိန်းကုန်တင်ကားများMLD 6-shift manual ဂီယာအုံ၊ ရှေ့ 6 နှင့် နောက်ပြန် 1 ကို အသုံးပြုပါ။
★ ပရော်ဖက်ရှင်နယ် တယ်လီစကုပ်ထရပ်ကား တပ်ဆင်ထားသော ကရိန်းနှင့် လက်ဆစ် ဘိုမ ကရိန်း ထရပ်ကား ပေးသွင်းသူ ၁၀ နှစ်ကျော်၊
★စံသတ်မှတ်ထားသော ထရပ်ကား ကရိန်းအမှတ်တံဆိပ်- XCMG၊ PALFINGER၊ UNIC၊ HIAB
★12 လ အခမဲ့ အမြန်ရွေ့လျားနိုင်သော အပိုပစ္စည်းများ
★တရားဝင် isuzu ထရပ်ကား တင်ပို့သူ။
★isuzu အမှိုက်ကြိတ်စက်များအတွက် သင်တန်းပေးခြင်း

(ISUZU 6300Kg တယ်လီစကုပ်ထရပ်ကားသည် ရှန်ဟိုင်းဆိပ်ကမ်းသို့ ရောက်ရှိလာသည်)

(ISUZU boom ကရိန်း ကုန်တင်ထရပ်ကားသည် XCMG 6.3 T တယ်လီစကုပ်ကရိန်းဖြင့် သင်္ဘောအမြောက်အများပေါ်တွင် ရုတ်သိမ်းပြီး ဆူဒန်နိုင်ငံသို့ ပို့ဆောင်ခြင်း)
ပူသော tags များ :